0577-62715977
高壓戶內外真空斷路器的基本結構
以下面高壓戶內外真空斷路器為例,闡明其結構與作業原理。
斷路器本體結構如圖一:
斷路器本體部分由導電回路,絕緣體系,密封件和殼體組成。全體結構為三相共箱式。其間導電回路由進出線導電桿,進出線絕緣支座,導電夾,軟聯接與真空滅弧室聯接而成。
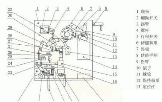
操作組織如圖二:

此組織為電動儲能,電動分合閘,一同具有手動功用。整個結構由合閘繃簧,儲能體系,過流脫扣器,分合閘線圈,手動分合閘體系,輔佐開關,儲能指示等部件組成。
高壓戶內外真空斷路器利用高真空中電流流過零點時,等離子體敏捷分散而平息電弧,結束堵截電流的目的。
動作原理
儲能進程:當儲能電機 14接通電源時,電機帶動偏疼輪翻滾,通過緊靠在偏疼輪上的滾子10帶動拐臂9及連板7搖擺,推進儲能棘爪6搖擺,使棘輪11翻滾,當棘輪11上的銷與儲能軸套32的板靠住往后,二者一同運動,使掛在儲能軸套上32上的合閘繃簧21拉長。儲能軸套32由定位銷13固定,堅持儲能狀況,一同,儲能軸套32上的拐臂推進行程開關5堵截儲能電機14的電源,并且儲能棘爪被抬起,與棘輪牢靠脫離。
合閘操作進程:當組織接到合閘信號后(開關處于斷開,已儲能狀況),合閘電磁鐵 15的鐵心被吸向下運動,拉動定位件13向逆時針方向翻滾,革除儲能堅持,合閘繃簧21帶動儲能軸套32逆時針方向翻滾,其凸輪壓動傳動軸套 30,帶動連板29及搖臂27運動,使搖臂27扣住半軸25,使組織處于合閘狀況。此刻,連鎖設備28鎖住定位件,使定位牛不能逆時針方向翻滾,達到組織聯銷的目的,確保了組織在合閘方位不能合閘操作。
分閘操作進程:斷路器合閘后,分閘電磁鐵接到信號,鐵芯吸合,分閘脫扣器 19中的頂桿向上運動,使脫扣軸16翻滾,帶動頂桿18向上運動,頂動彎板26并帶動半軸25向反時針方向翻滾。半軸25與搖臂27解扣,在分閘繃簧的作用下,斷路器結束分閘操作。